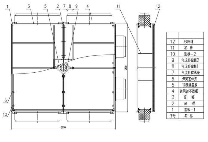
手术室送风天花又叫阻漏型送风天花是洁净手术室、层流病房的净化送风末端,它兼有高效过滤,均流及气流补偿作用。层流天花结构的合理性直接影响到手术室的送风效果,采用垂直送风模式,手术室专用不锈钢层流送风天花主要分为I、II、III级手术室用,箱体冷板喷塑,下框全不锈钢,美观耐用。

我公司生产的阻漏型送风天花是综合国内外众家之所长而研发出来的新款式,具有更好的均流及照明效果,更符合洁净手术层流要求。箱体采用1.2mm厚静电喷塑钢板制作。箱体中可根据需要设置气密性净化灯带,既有层流效果,又可照明;与内嵌入环岛整体式净化灯带相配合,使整个手术室光照度均匀。DPP均流网采用铝合金扣压式装配,便于更换及维护。中间带中速气流补偿装置采用2.0mm厚的拉丝防锈铝板制作,不会因为无影灯阻挡而中心位置气流减弱而影响均流效果。
手术室送风天花/阻漏型送风天花优点
1、将由于高效过滤器漏泄所造成的影响降低至原来的1/475;
2、洁净送风天花下部的气流均匀度,容易达到国家标准的有关要求,抗环境干扰能力强;
3、仅由阻漏层组合,安装方便,气流满布率ㄒ95%;
4、更换高效过滤器不污染,保护环境,更换快捷、操作方便;
5、工厂制造,仅需现场用配套专用连接件简单拼接组合,有利于设备质量的保障;
6、用多块阻漏层孔板组合,无螺栓连接,出风面光感好。
7、分I,II,III级。

手术室送风天花技术参数说明
| 产品种类 | 产品型号 | 产品尺寸 | 过滤器尺寸 | 过滤器数量 | 备注 |
| I级层流 送风天花 |
PC01-01-00 | 2950*2500*500 | 610*305*292 | 8-10个 | 选配DPP均流膜、不锈钢孔板均流、气流补偿装置、净化灯带 |
| Ⅱ级层流 送风天花 |
PC01-02-00 | 2600*1800*500 | 610*305*292 | 4-6个 | |
| Ⅲ级层 流送风天花 |
PC01-03-00 | 2600*1400*500 | 610*305*292 | 2-4个 | |
| 血液病房 | PC01-04-00 | 2950*2500*500 | 610*305*292 | 8-10个 | |
| 眼科病房 | PC01-05-00 | 1500*1500*500 | 610*305*292 | 4个 |
手术室送风天花|阻漏送风天花链接:http://www.iguolvqi.com/airblowceiling/
返回